cq9电子

产品中心

PRODUCT CENTER

所有产品 特殊微分头 特殊千分尺

< 返回上一页

0-50mm特殊微分头

丈量参数

丈量规模精度区分力
0-50mm0.005mm0.01mm

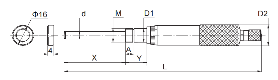
尺寸图

image

主要参数

可选值客户可选参数或定制
X50-65mm
Y14mm、29mm、35.5mm
A0、4mm、Y
dΦ6.5mm、Φ8mm
D1Φ9.5mm、Φ9.525mm、Φ14mm、Φ22mm
D2Φ18mm、Φ21mm、Φ29mm
MM9.5X0.5 M9.525X0.635 M10X0.5
SRSR5或镶嵌Φ4.5钢球

L:92.5 +X+Y


【网站地图】【sitemap】