cq9电子

产品中心

PRODUCT CENTER

所有产品 特殊微分头 特殊千分尺

< 返回上一页

0-5mm特殊微分头

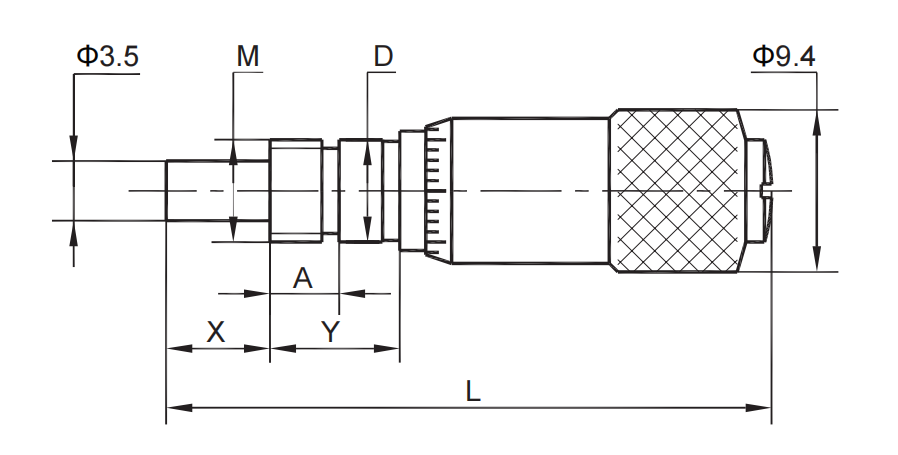
丈量参数

丈量规模精度区分力
0-5mm0.005mm0.01mm

尺寸图

image

主要参数

可选值客户可选参数或定制
X6-9mm
Y6mm、6.35mm、6.5mm、7.5mm
A0、4mm、Y
DΦ6mm Φ6.35mm Φ6.5mm
MM6X0.5 M6.35X0.635

L:23.5+X+Y


【网站地图】【sitemap】