cq9电子

产品中心

PRODUCT CENTER

所有产品 微分头

< 返回上一页
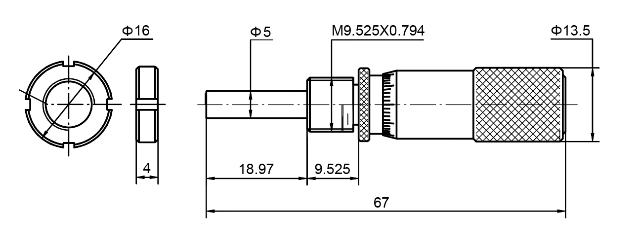
1002-350

微分头

丈量参数

货号丈量规模精度
1002-3500-13mm0.003mm

尺寸图

企业微信截图_17035643562603




【网站地图】【sitemap】