PRODUCT CENTER
所有产品
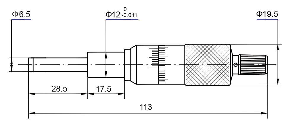
微分头
| 货号 | 丈量规模 | 精度 | 型式 | |
|---|---|---|---|---|
| 0103-100 | 0-25mm | 0.003mm | 硬质合金平丈量面 | 棘轮测力 |
| 0113-100 | 0-25mm | 0.003mm | 硬质合金球丈量面 | 棘轮测力 |
| 0103-120 | 0-25mm | 0.003mm | 硬质合金平丈量面 | 摩擦测力 |
| 0113-120 | 0-25mm | 0.003mm | 硬质合金球丈量面 | 摩擦测力 |
| 0103-130 | 0-25mm | 0.003mm | 硬质合金平丈量面 | 棘轮套测力 |
| 0113-130 | 0-25mm | 0.003mm | 硬质合金球丈量面 | 棘轮套测力 |

