cq9电子

产品中心

PRODUCT CENTER

所有产品 微分头

< 返回上一页
0903-010

微分头

丈量参数

货号丈量规模精度型式
通俗
0903-0100-25mm0.003mm硬质合金平丈量面棘轮测力
0913-0100-25mm0.003mm硬质合金球丈量面棘轮测力
0903-0200-25mm0.003mm硬质合金平丈量面摩擦测力
0913-0200-25mm0.003mm硬质合金球丈量面摩擦测力
0903-0300-25mm0.003mm硬质合金平丈量面棘轮套测力
0913-0300-25mm0.003mm硬质合金球丈量面棘轮套测力
带装置螺母
0903-3100-25mm0.003mm硬质合金平丈量面棘轮测力
0913-3100-25mm0.003mm硬质合金球丈量面棘轮测力
0903-3200-25mm0.003mm硬质合金平丈量面摩擦测力
0913-3200-25mm0.003mm硬质合金球丈量面摩擦测力
0903-3300-25mm0.003mm硬质合金平丈量面棘轮套测力
0913-3300-25mm0.003mm硬质合金球丈量面棘轮套测力

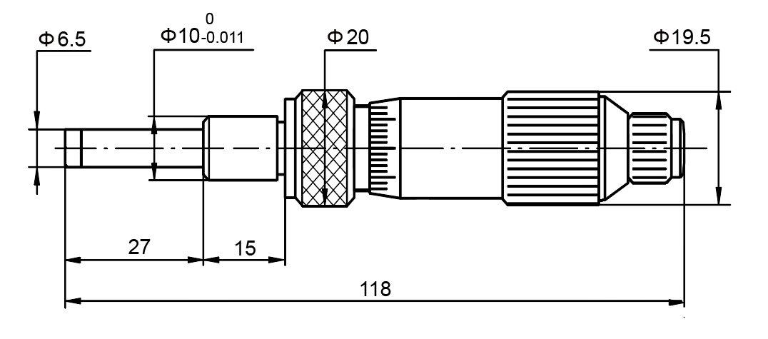
尺寸图(0903-010)

企业微信截图_17035638585884

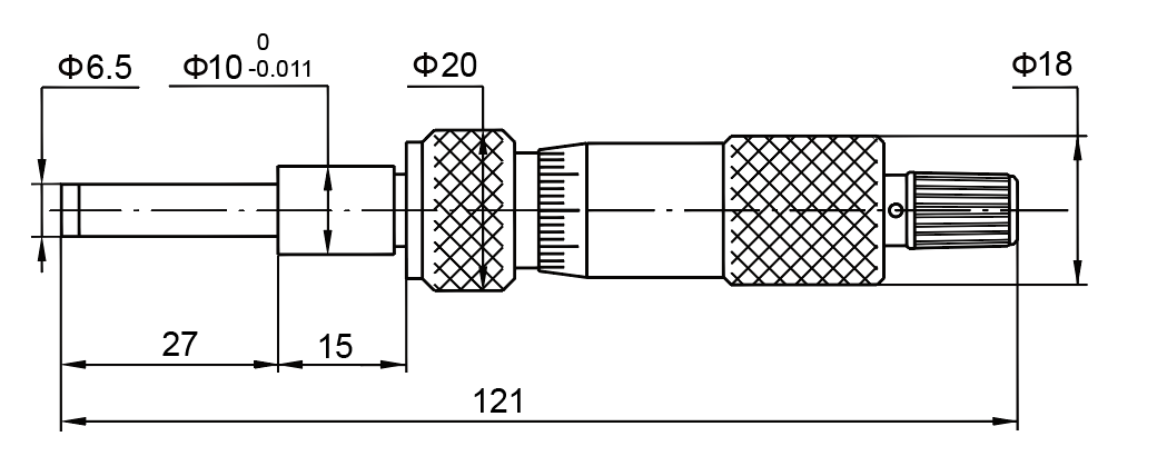
尺寸图(0903-310)

企业微信截图_17035638685976


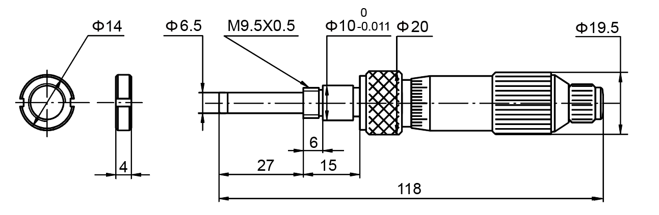
尺寸图(0903-020/0903-030)

企业微信截图_17035638846972

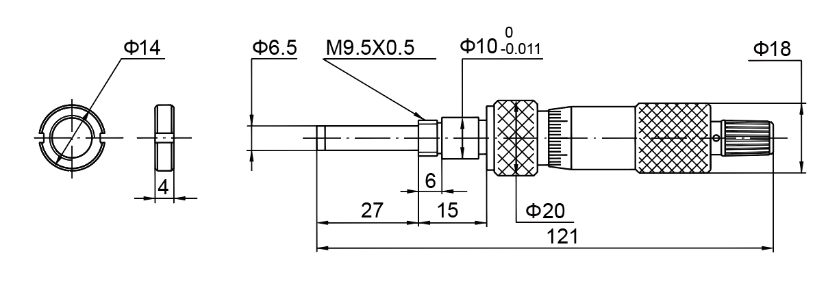
尺寸图(0903-320/0903-330)

企业微信截图_17035639045426


【网站地图】【sitemap】